PRODUCT CENTER
PRODUCT CENTER
PRODUCT CENTER
 
         
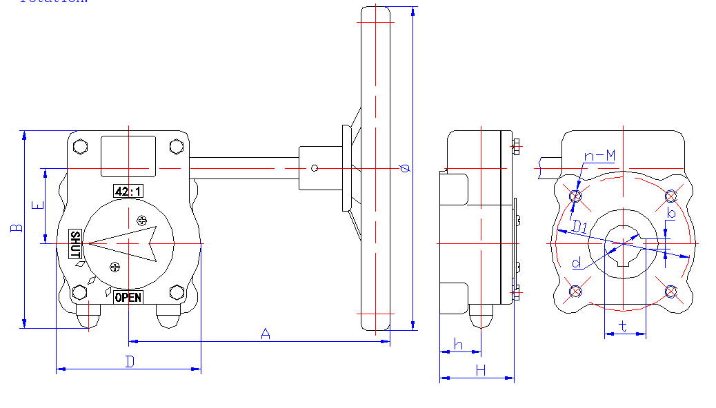
            本产体积小、重量轻,结构合理、输出扭矩大,具有可靠的自锁性。适用于90°回转的蝶阀、球阀、旋塞阀等阀门的控制。The product has small volume, light weight, reasonable structure, large output torque, and reliable self-locking. It is applicable to the control of butterfly valve, ball valve, cock valve and other valves with 90 ° rotation.

| 型号 | 输出扭矩Nm | 速比 | 输入扭矩Nm | 最大内孔 | 允许法兰 | 手轮直径 | 重量Kg | 
| MX07 | 160 | 32:1 | 23 | 20 | F05、F07 | 140 | 2 | 
| MX08 | 300 | 40:1 | 34 | 25 | F07、F10 | 200 | 3 | 
| MX10 | 650 | 42:1 | 70 | 30 | F07、F10、F12 | 260 | 5.5 | 
| MX12 | 1200 | 42:1 | 125 | 40 | F10、F12、F14 | 300 | 9.5 | 
| MX14 | 2000 | 60:1 | 150 | 60 | F12、F14、F16 | 400 | 14 | 
| MX15 | 2800 | 70:1 | 185 | 65 | F12、F14、F16 | 500 | 22 | 
| MX16 | 4000 | 88:1 | 200 | 80 | F16、F25 | 500 | 38 | 
| 型号 | d | b | t | D1 | n-M | A | B | D | E | φ | H | h | 
| MX07 | 15.9 | 5 | 18.2 | 50 | 4-M6 | 109 | 97 | 67 | 35 | 140 | 43.5 | 22.5 | 
| MX08 | 20 | 5 | 22.3 | 70 | 4-M8 | 140 | 115 | 80 | 41 | 200 | 52.5 | 30 | 
| MX10 | 25 | 8 | 28.3 | 102 | 4-M10 | 212 | 151 | 105 | 56 | 260 | 59.5 | 34 | 
| MX12 | 30 | 8 | 33.3 | 125 | 4-M12 | 242 | 184 | 134 | 70 | 300 | 68.5 | 38 | 
| MX14 | 35 | 10 | 38.3 | 140 | 4-M16 | 287 | 221 | 182 | 92.5 | 400 | 77 | 45 | 
| MX15 | 40 | 12 | 43.3 | 165 | 4-M20 | 302 | 252 | 210 | 105 | 500 | 98.5 | 66 | 
| MX16 | 55 | 16 | 59.3 | 254 | 8-M16 | 325 | 330 | 300 | 130 | 500 | 98.5 | 56 | 
o
 
            本产体积小、重量轻,结构合理、输出扭矩大,具有可靠的自锁性。适用于90°回转的蝶阀、球阀、旋塞阀等阀门的控制。The product has small volume, light weight, reasonable structure, large output torque, and reliable self-locking. It is applicable to the control of butterfly valve, ball valve, cock valve and other valves with 90 ° rotation.

| 型号 | 输出扭矩Nm | 速比 | 输入扭矩Nm | 最大内孔 | 允许法兰 | 手轮直径 | 重量Kg | 
| MX07 | 160 | 32:1 | 23 | 20 | F05、F07 | 140 | 2 | 
| MX08 | 300 | 40:1 | 34 | 25 | F07、F10 | 200 | 3 | 
| MX10 | 650 | 42:1 | 70 | 30 | F07、F10、F12 | 260 | 5.5 | 
| MX12 | 1200 | 42:1 | 125 | 40 | F10、F12、F14 | 300 | 9.5 | 
| MX14 | 2000 | 60:1 | 150 | 60 | F12、F14、F16 | 400 | 14 | 
| MX15 | 2800 | 70:1 | 185 | 65 | F12、F14、F16 | 500 | 22 | 
| MX16 | 4000 | 88:1 | 200 | 80 | F16、F25 | 500 | 38 | 
| 型号 | d | b | t | D1 | n-M | A | B | D | E | φ | H | h | 
| MX07 | 15.9 | 5 | 18.2 | 50 | 4-M6 | 109 | 97 | 67 | 35 | 140 | 43.5 | 22.5 | 
| MX08 | 20 | 5 | 22.3 | 70 | 4-M8 | 140 | 115 | 80 | 41 | 200 | 52.5 | 30 | 
| MX10 | 25 | 8 | 28.3 | 102 | 4-M10 | 212 | 151 | 105 | 56 | 260 | 59.5 | 34 | 
| MX12 | 30 | 8 | 33.3 | 125 | 4-M12 | 242 | 184 | 134 | 70 | 300 | 68.5 | 38 | 
| MX14 | 35 | 10 | 38.3 | 140 | 4-M16 | 287 | 221 | 182 | 92.5 | 400 | 77 | 45 | 
| MX15 | 40 | 12 | 43.3 | 165 | 4-M20 | 302 | 252 | 210 | 105 | 500 | 98.5 | 66 | 
| MX16 | 55 | 16 | 59.3 | 254 | 8-M16 | 325 | 330 | 300 | 130 | 500 | 98.5 | 56 | 
o
本产体积小、重量轻,结构合理、输出扭矩大,具有可靠的自锁性。适用于90°回转的蝶阀、球阀、旋塞阀等阀门的控制。The product has small volume, light weight, reasonable structure, large output torque, and reliable self-locking. It is applicable to the control of butterfly valve, ball valve, cock valve and other valves with 90 ° rotation.

| 型号 | 输出扭矩Nm | 速比 | 输入扭矩Nm | 最大内孔 | 允许法兰 | 手轮直径 | 重量Kg | 
| MX07 | 160 | 32:1 | 23 | 20 | F05、F07 | 140 | 2 | 
| MX08 | 300 | 40:1 | 34 | 25 | F07、F10 | 200 | 3 | 
| MX10 | 650 | 42:1 | 70 | 30 | F07、F10、F12 | 260 | 5.5 | 
| MX12 | 1200 | 42:1 | 125 | 40 | F10、F12、F14 | 300 | 9.5 | 
| MX14 | 2000 | 60:1 | 150 | 60 | F12、F14、F16 | 400 | 14 | 
| MX15 | 2800 | 70:1 | 185 | 65 | F12、F14、F16 | 500 | 22 | 
| MX16 | 4000 | 88:1 | 200 | 80 | F16、F25 | 500 | 38 | 
| 型号 | d | b | t | D1 | n-M | A | B | D | E | φ | H | h | 
| MX07 | 15.9 | 5 | 18.2 | 50 | 4-M6 | 109 | 97 | 67 | 35 | 140 | 43.5 | 22.5 | 
| MX08 | 20 | 5 | 22.3 | 70 | 4-M8 | 140 | 115 | 80 | 41 | 200 | 52.5 | 30 | 
| MX10 | 25 | 8 | 28.3 | 102 | 4-M10 | 212 | 151 | 105 | 56 | 260 | 59.5 | 34 | 
| MX12 | 30 | 8 | 33.3 | 125 | 4-M12 | 242 | 184 | 134 | 70 | 300 | 68.5 | 38 | 
| MX14 | 35 | 10 | 38.3 | 140 | 4-M16 | 287 | 221 | 182 | 92.5 | 400 | 77 | 45 | 
| MX15 | 40 | 12 | 43.3 | 165 | 4-M20 | 302 | 252 | 210 | 105 | 500 | 98.5 | 66 | 
| MX16 | 55 | 16 | 59.3 | 254 | 8-M16 | 325 | 330 | 300 | 130 | 500 | 98.5 | 56 | 
o
PRODUCT CENTER
