PRODUCT CENTER
PRODUCT CENTER
PRODUCT CENTER
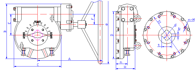
本产体积小、重量轻,结构合理、输出扭矩大,具有可靠的自锁性。在M00基础上合理改进,适当增加速比,使操作更加便利。适用于90°回转的蝶阀、球阀、旋塞阀等阀门的控制。The product has small volume, light weight, reasonable structure, large output torque, and reliable self-locking. On the basis of M00, make reasonable improvement and appropriately increase the ratio to make the operation more convenient. It is applicable to the control of butterfly valve, ball valve, cock valve and other valves with 90 ° rotation.
MX16/S3~MX40/S4

MX40/D10~MX70/D20
| 型号 | 扭矩Nm | 速比 | 输入扭矩Nm | 最大内孔 | 允许法兰 | 手轮 | 重量Kg |
| MX16/S3 | 4000 | 169:1 | 110 | 75 | F14、F16 | 500 | |
| MX36/S3 | 5200 | 176:1 | 135 | 80 | F14、F16、F25 | 500 | |
| MX36/S4 | 6500 | 224:1 | 135 | 80 | F14、F16、F25 | 500 | |
| MX40/S4 | 9500 | 290:1 | 155 | 110 | F25、F30 | 600 |
| 型号 | 扭矩Nm | 速比 | 输入扭矩Nm | 最大内孔 | 允许法兰 | 手轮 | 重量Kg |
| MX40/D10 | 11000 | 444:1 | 125 | 110 | F25、F30 | 600 | |
| MX50/D10 | 16000 | 495:1 | 160 | 110 | F25、F30 | 600 | |
| MX60/D15 | 24000 | 845:1 | 150 | 160 | F25、F30、F35 | 600 | |
| MX65/D15 | 32000 | 986:1 | 165 | 160 | F25、F30、F35 | 700 | |
| MX65/D20 | 40000 | 1273:1 | 165 | 160 | F25、F30、F35 | 700 | |
| MX70/D20 | 51000 | 1490:1 | 175 | 160 | F30、F35、F40 | 700 |
| 型号 | d | b | t | D1 | n-M | A | B | C | D | E | F | φ | H | h |
| MX16/S3 | 55 | 16 | 63.6 | 165 | 4-M20 | 388 | 300 | 242 | 210 | 112 | 65 | 500 | 107 | 63 |
| MX36/S3 | 65 | 16 | 73.6 | 254 | 8-M16 | 411 | 348 | 300 | 300 | 132 | 65 | 500 | 121 | 74 |
| MX36/S4 | 80 | 22 | 90.8 | 254 | 8-M16 | 419 | 372 | 300 | 300 | 132 | 91 | 500 | 121 | 74 |
| MX40/S4 | 80 | 22 | 90.8 | 254 | 8-M16 | 466 | 434 | 360 | 350 | 164 | 91 | 600 | 145 | 89 |
| 型号 | d | b | t | D1 | n-M | A | B | C | D | E | F | φ | H | h |
| MX40/D10 | 80 | 22 | 90.8 | 254 | 8-M16 | 517 | 439 | 360 | 350 | 164 | 89 | 600 | 145 | 89 |
| MX50/D10 | 80 | 22 | 90.8 | 254 | 8-M16 | 517 | 463 | 375 | 350 | 180 | 89 | 600 | 151 | 92 |
| MX60/D15 | 110 | 32 | 124.8 | 298 | 8-M20 | 567 | 560 | 450 | 415 | 216 | 114 | 600 | 166 | 100 |
| MX65/D15 | 110 | 32 | 124.8 | 356 | 8-M30 | 630 | 623 | 510 | 415 | 249 | 114 | 700 | 202 | 118 |
| MX65/D20 | 120 | 32 | 134.8 | 356 | 8-M30 | 630 | 639 | 510 | 415 | 249 | 126 | 700 | 202 | 118 |
| MX70/D20 | 120 | 32 | 134.8 | 356 | 8-M30 | 662 | 715 | 590 | 475 | 285 | 126 | 700 | 214 | 128 |
0
本产体积小、重量轻,结构合理、输出扭矩大,具有可靠的自锁性。在M00基础上合理改进,适当增加速比,使操作更加便利。适用于90°回转的蝶阀、球阀、旋塞阀等阀门的控制。The product has small volume, light weight, reasonable structure, large output torque, and reliable self-locking. On the basis of M00, make reasonable improvement and appropriately increase the ratio to make the operation more convenient. It is applicable to the control of butterfly valve, ball valve, cock valve and other valves with 90 ° rotation.
MX16/S3~MX40/S4

MX40/D10~MX70/D20
| 型号 | 扭矩Nm | 速比 | 输入扭矩Nm | 最大内孔 | 允许法兰 | 手轮 | 重量Kg |
| MX16/S3 | 4000 | 169:1 | 110 | 75 | F14、F16 | 500 | |
| MX36/S3 | 5200 | 176:1 | 135 | 80 | F14、F16、F25 | 500 | |
| MX36/S4 | 6500 | 224:1 | 135 | 80 | F14、F16、F25 | 500 | |
| MX40/S4 | 9500 | 290:1 | 155 | 110 | F25、F30 | 600 |
| 型号 | 扭矩Nm | 速比 | 输入扭矩Nm | 最大内孔 | 允许法兰 | 手轮 | 重量Kg |
| MX40/D10 | 11000 | 444:1 | 125 | 110 | F25、F30 | 600 | |
| MX50/D10 | 16000 | 495:1 | 160 | 110 | F25、F30 | 600 | |
| MX60/D15 | 24000 | 845:1 | 150 | 160 | F25、F30、F35 | 600 | |
| MX65/D15 | 32000 | 986:1 | 165 | 160 | F25、F30、F35 | 700 | |
| MX65/D20 | 40000 | 1273:1 | 165 | 160 | F25、F30、F35 | 700 | |
| MX70/D20 | 51000 | 1490:1 | 175 | 160 | F30、F35、F40 | 700 |
| 型号 | d | b | t | D1 | n-M | A | B | C | D | E | F | φ | H | h |
| MX16/S3 | 55 | 16 | 63.6 | 165 | 4-M20 | 388 | 300 | 242 | 210 | 112 | 65 | 500 | 107 | 63 |
| MX36/S3 | 65 | 16 | 73.6 | 254 | 8-M16 | 411 | 348 | 300 | 300 | 132 | 65 | 500 | 121 | 74 |
| MX36/S4 | 80 | 22 | 90.8 | 254 | 8-M16 | 419 | 372 | 300 | 300 | 132 | 91 | 500 | 121 | 74 |
| MX40/S4 | 80 | 22 | 90.8 | 254 | 8-M16 | 466 | 434 | 360 | 350 | 164 | 91 | 600 | 145 | 89 |
| 型号 | d | b | t | D1 | n-M | A | B | C | D | E | F | φ | H | h |
| MX40/D10 | 80 | 22 | 90.8 | 254 | 8-M16 | 517 | 439 | 360 | 350 | 164 | 89 | 600 | 145 | 89 |
| MX50/D10 | 80 | 22 | 90.8 | 254 | 8-M16 | 517 | 463 | 375 | 350 | 180 | 89 | 600 | 151 | 92 |
| MX60/D15 | 110 | 32 | 124.8 | 298 | 8-M20 | 567 | 560 | 450 | 415 | 216 | 114 | 600 | 166 | 100 |
| MX65/D15 | 110 | 32 | 124.8 | 356 | 8-M30 | 630 | 623 | 510 | 415 | 249 | 114 | 700 | 202 | 118 |
| MX65/D20 | 120 | 32 | 134.8 | 356 | 8-M30 | 630 | 639 | 510 | 415 | 249 | 126 | 700 | 202 | 118 |
| MX70/D20 | 120 | 32 | 134.8 | 356 | 8-M30 | 662 | 715 | 590 | 475 | 285 | 126 | 700 | 214 | 128 |
0
本产体积小、重量轻,结构合理、输出扭矩大,具有可靠的自锁性。在M00基础上合理改进,适当增加速比,使操作更加便利。适用于90°回转的蝶阀、球阀、旋塞阀等阀门的控制。The product has small volume, light weight, reasonable structure, large output torque, and reliable self-locking. On the basis of M00, make reasonable improvement and appropriately increase the ratio to make the operation more convenient. It is applicable to the control of butterfly valve, ball valve, cock valve and other valves with 90 ° rotation.
MX16/S3~MX40/S4

MX40/D10~MX70/D20
| 型号 | 扭矩Nm | 速比 | 输入扭矩Nm | 最大内孔 | 允许法兰 | 手轮 | 重量Kg |
| MX16/S3 | 4000 | 169:1 | 110 | 75 | F14、F16 | 500 | |
| MX36/S3 | 5200 | 176:1 | 135 | 80 | F14、F16、F25 | 500 | |
| MX36/S4 | 6500 | 224:1 | 135 | 80 | F14、F16、F25 | 500 | |
| MX40/S4 | 9500 | 290:1 | 155 | 110 | F25、F30 | 600 |
| 型号 | 扭矩Nm | 速比 | 输入扭矩Nm | 最大内孔 | 允许法兰 | 手轮 | 重量Kg |
| MX40/D10 | 11000 | 444:1 | 125 | 110 | F25、F30 | 600 | |
| MX50/D10 | 16000 | 495:1 | 160 | 110 | F25、F30 | 600 | |
| MX60/D15 | 24000 | 845:1 | 150 | 160 | F25、F30、F35 | 600 | |
| MX65/D15 | 32000 | 986:1 | 165 | 160 | F25、F30、F35 | 700 | |
| MX65/D20 | 40000 | 1273:1 | 165 | 160 | F25、F30、F35 | 700 | |
| MX70/D20 | 51000 | 1490:1 | 175 | 160 | F30、F35、F40 | 700 |
| 型号 | d | b | t | D1 | n-M | A | B | C | D | E | F | φ | H | h |
| MX16/S3 | 55 | 16 | 63.6 | 165 | 4-M20 | 388 | 300 | 242 | 210 | 112 | 65 | 500 | 107 | 63 |
| MX36/S3 | 65 | 16 | 73.6 | 254 | 8-M16 | 411 | 348 | 300 | 300 | 132 | 65 | 500 | 121 | 74 |
| MX36/S4 | 80 | 22 | 90.8 | 254 | 8-M16 | 419 | 372 | 300 | 300 | 132 | 91 | 500 | 121 | 74 |
| MX40/S4 | 80 | 22 | 90.8 | 254 | 8-M16 | 466 | 434 | 360 | 350 | 164 | 91 | 600 | 145 | 89 |
| 型号 | d | b | t | D1 | n-M | A | B | C | D | E | F | φ | H | h |
| MX40/D10 | 80 | 22 | 90.8 | 254 | 8-M16 | 517 | 439 | 360 | 350 | 164 | 89 | 600 | 145 | 89 |
| MX50/D10 | 80 | 22 | 90.8 | 254 | 8-M16 | 517 | 463 | 375 | 350 | 180 | 89 | 600 | 151 | 92 |
| MX60/D15 | 110 | 32 | 124.8 | 298 | 8-M20 | 567 | 560 | 450 | 415 | 216 | 114 | 600 | 166 | 100 |
| MX65/D15 | 110 | 32 | 124.8 | 356 | 8-M30 | 630 | 623 | 510 | 415 | 249 | 114 | 700 | 202 | 118 |
| MX65/D20 | 120 | 32 | 134.8 | 356 | 8-M30 | 630 | 639 | 510 | 415 | 249 | 126 | 700 | 202 | 118 |
| MX70/D20 | 120 | 32 | 134.8 | 356 | 8-M30 | 662 | 715 | 590 | 475 | 285 | 126 | 700 | 214 | 128 |
0
PRODUCT CENTER