PRODUCT CENTER
PRODUCT CENTER
PRODUCT CENTER
 
         
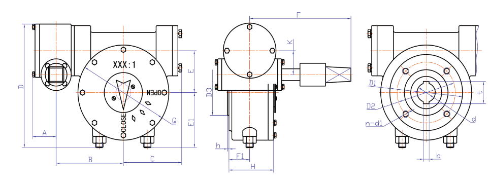
            本产品采用蜗轮蜗杆传动副,体积小、重量轻、输出扭矩大、结构合理、操作方便,具有可靠的自锁性。适用于90°回转的蝶阀、球阀、旋塞阀、调节阀等阀[ ]在地下铺设管道时的控制。
This product worm gear-worm drive set is used.The product is characterized by small size,light weight,large output torque,rational structure,easy to operate and having reliably self- hold capacity. Suitable to control the 90° rotay buttefly valve,ball valve,cock valve,etc when in the underground conduit laying.

| 型号/ Model | 额定扭矩/Torque(N.m) | 速比 Ratio | 输入扭矩/Input(N.m) | 重量/WT(kg) | 备注/Remarks | 
| 3DD-15/17 | 170 | 203:1 | 9 | 17 | |
| 3DD-15/75 | 750 | 245:1 | 30 | 21 | |
| 3DD-15/120 | 1200 | 280:1 | 42 | 23 | |
| 3DD-30/250 | 2500 | 384:1 | 43 | 41 | |
| 3DD-30/300 | 3000 | 352:1 | 57 | 57 | |
| 3DD-30/400 | 4000 | 416:1 | 64 | 65 | |
| 3DD-60/800 | 8000 | 754:1 | 71 | 88 | 
| 型号/ Model | A | B | C | D | E | K | H | F | F1 | E1 | Q | 
| 3DD-15/17 | 50 | 111 | 96 | 193 | 60 | 47 | 86 | 210 | 38 | 78 | 130 | 
| 3DD-15/75 | 50 | 121 | 106 | 224 | 70.5 | 47 | 86 | 210 | 38 | 98 | 150 | 
| 3DD-15/120 | 50 | 121 | 106 | 241 | 78 | 47 | 86 | 210 | 40 | 108 | 170 | 
| 3DD-30/250 | 65 | 160 | 135 | 283 | 90 | 63 | 105 | 279 | 50 | 123 | 200 | 
| 3DD-30/300 | 65 | 185 | 160 | 320 | 110 | 63 | 123 | 279 | 57 | 140 | 250 | 
| 3DD-30/400 | 65 | 185 | 160 | 355 | 125 | 63 | 129 | 279 | 63 | 160 | 278 | 
| 3DD-60/800 | 69 | 218 | 160 | 420 | 160 | 78 | 132 | 277 | 66 | 170 | 330 | 
| 型号/ Model | 适用蝶阀口径/Available Opening of butterfly valve | d | b | t | D3 | h | D2 | D1 | n-d1 | |
| 公制/ Metric system | 英制/ British system | |||||||||
| 3DD-15/17 | 50-80 | 2”-3” | 12.7 | 3 | 15.5 | - | - | 57.15 | 92 | 4-M6 | 
| 100 | 4” | 15.9 | 5 | 20.5 | - | - | 69.85 | 92 | 4-M8 | |
| 125-150 | 5”-6” | 19.05 | 5 | 23.65 | - | - | 69.85 | 92 | 4-M8 | |
| 3DD-15/75 | 200 | 8” | 22.2 | 5 | 26.8 | - | - | 88.9 | 125 | 4-M12 | 
| 250 | 10” | 28.6 | 8 | 35.2 | - | - | ||||
| 3DD-15/120 | 300 | 12” | 31.8 | 8 | 38.4 | - | - | 108 | 140 | 4-M12 | 
| 350 | 14” | 31.8 | 8 | 38.4 | - | - | ||||
| 3DD-30/250 | 400 | 16” | 33.3 | 10 | 39.9 | - | - | 158.75 | 200 | 4-M18 | 
| 450 | 18” | 38.1 | 10 | 44.7 | - | - | ||||
| 3DD-30/300 | 500 | 20” | 41.3 | 10 | 47.9 | - | - | 158.75 | 200 | 4-M18 | 
| 3DD-30/400 | 600 | 24” | 50.8 | 16 | 59.4 | - | - | 215.9 | 278 | 4-M18 | 
| 3DD-60/800 | 700 | 28” | 55 | 16 | 63.6 | - | - | 254 | 300 | 8-M16 | 
| 800 | 32” | - | - | |||||||
 
            本产品采用蜗轮蜗杆传动副,体积小、重量轻、输出扭矩大、结构合理、操作方便,具有可靠的自锁性。适用于90°回转的蝶阀、球阀、旋塞阀、调节阀等阀[ ]在地下铺设管道时的控制。
This product worm gear-worm drive set is used.The product is characterized by small size,light weight,large output torque,rational structure,easy to operate and having reliably self- hold capacity. Suitable to control the 90° rotay buttefly valve,ball valve,cock valve,etc when in the underground conduit laying.

| 型号/ Model | 额定扭矩/Torque(N.m) | 速比 Ratio | 输入扭矩/Input(N.m) | 重量/WT(kg) | 备注/Remarks | 
| 3DD-15/17 | 170 | 203:1 | 9 | 17 | |
| 3DD-15/75 | 750 | 245:1 | 30 | 21 | |
| 3DD-15/120 | 1200 | 280:1 | 42 | 23 | |
| 3DD-30/250 | 2500 | 384:1 | 43 | 41 | |
| 3DD-30/300 | 3000 | 352:1 | 57 | 57 | |
| 3DD-30/400 | 4000 | 416:1 | 64 | 65 | |
| 3DD-60/800 | 8000 | 754:1 | 71 | 88 | 
| 型号/ Model | A | B | C | D | E | K | H | F | F1 | E1 | Q | 
| 3DD-15/17 | 50 | 111 | 96 | 193 | 60 | 47 | 86 | 210 | 38 | 78 | 130 | 
| 3DD-15/75 | 50 | 121 | 106 | 224 | 70.5 | 47 | 86 | 210 | 38 | 98 | 150 | 
| 3DD-15/120 | 50 | 121 | 106 | 241 | 78 | 47 | 86 | 210 | 40 | 108 | 170 | 
| 3DD-30/250 | 65 | 160 | 135 | 283 | 90 | 63 | 105 | 279 | 50 | 123 | 200 | 
| 3DD-30/300 | 65 | 185 | 160 | 320 | 110 | 63 | 123 | 279 | 57 | 140 | 250 | 
| 3DD-30/400 | 65 | 185 | 160 | 355 | 125 | 63 | 129 | 279 | 63 | 160 | 278 | 
| 3DD-60/800 | 69 | 218 | 160 | 420 | 160 | 78 | 132 | 277 | 66 | 170 | 330 | 
| 型号/ Model | 适用蝶阀口径/Available Opening of butterfly valve | d | b | t | D3 | h | D2 | D1 | n-d1 | |
| 公制/ Metric system | 英制/ British system | |||||||||
| 3DD-15/17 | 50-80 | 2”-3” | 12.7 | 3 | 15.5 | - | - | 57.15 | 92 | 4-M6 | 
| 100 | 4” | 15.9 | 5 | 20.5 | - | - | 69.85 | 92 | 4-M8 | |
| 125-150 | 5”-6” | 19.05 | 5 | 23.65 | - | - | 69.85 | 92 | 4-M8 | |
| 3DD-15/75 | 200 | 8” | 22.2 | 5 | 26.8 | - | - | 88.9 | 125 | 4-M12 | 
| 250 | 10” | 28.6 | 8 | 35.2 | - | - | ||||
| 3DD-15/120 | 300 | 12” | 31.8 | 8 | 38.4 | - | - | 108 | 140 | 4-M12 | 
| 350 | 14” | 31.8 | 8 | 38.4 | - | - | ||||
| 3DD-30/250 | 400 | 16” | 33.3 | 10 | 39.9 | - | - | 158.75 | 200 | 4-M18 | 
| 450 | 18” | 38.1 | 10 | 44.7 | - | - | ||||
| 3DD-30/300 | 500 | 20” | 41.3 | 10 | 47.9 | - | - | 158.75 | 200 | 4-M18 | 
| 3DD-30/400 | 600 | 24” | 50.8 | 16 | 59.4 | - | - | 215.9 | 278 | 4-M18 | 
| 3DD-60/800 | 700 | 28” | 55 | 16 | 63.6 | - | - | 254 | 300 | 8-M16 | 
| 800 | 32” | - | - | |||||||
本产品采用蜗轮蜗杆传动副,体积小、重量轻、输出扭矩大、结构合理、操作方便,具有可靠的自锁性。适用于90°回转的蝶阀、球阀、旋塞阀、调节阀等阀[ ]在地下铺设管道时的控制。
This product worm gear-worm drive set is used.The product is characterized by small size,light weight,large output torque,rational structure,easy to operate and having reliably self- hold capacity. Suitable to control the 90° rotay buttefly valve,ball valve,cock valve,etc when in the underground conduit laying.

| 型号/ Model | 额定扭矩/Torque(N.m) | 速比 Ratio | 输入扭矩/Input(N.m) | 重量/WT(kg) | 备注/Remarks | 
| 3DD-15/17 | 170 | 203:1 | 9 | 17 | |
| 3DD-15/75 | 750 | 245:1 | 30 | 21 | |
| 3DD-15/120 | 1200 | 280:1 | 42 | 23 | |
| 3DD-30/250 | 2500 | 384:1 | 43 | 41 | |
| 3DD-30/300 | 3000 | 352:1 | 57 | 57 | |
| 3DD-30/400 | 4000 | 416:1 | 64 | 65 | |
| 3DD-60/800 | 8000 | 754:1 | 71 | 88 | 
| 型号/ Model | A | B | C | D | E | K | H | F | F1 | E1 | Q | 
| 3DD-15/17 | 50 | 111 | 96 | 193 | 60 | 47 | 86 | 210 | 38 | 78 | 130 | 
| 3DD-15/75 | 50 | 121 | 106 | 224 | 70.5 | 47 | 86 | 210 | 38 | 98 | 150 | 
| 3DD-15/120 | 50 | 121 | 106 | 241 | 78 | 47 | 86 | 210 | 40 | 108 | 170 | 
| 3DD-30/250 | 65 | 160 | 135 | 283 | 90 | 63 | 105 | 279 | 50 | 123 | 200 | 
| 3DD-30/300 | 65 | 185 | 160 | 320 | 110 | 63 | 123 | 279 | 57 | 140 | 250 | 
| 3DD-30/400 | 65 | 185 | 160 | 355 | 125 | 63 | 129 | 279 | 63 | 160 | 278 | 
| 3DD-60/800 | 69 | 218 | 160 | 420 | 160 | 78 | 132 | 277 | 66 | 170 | 330 | 
| 型号/ Model | 适用蝶阀口径/Available Opening of butterfly valve | d | b | t | D3 | h | D2 | D1 | n-d1 | |
| 公制/ Metric system | 英制/ British system | |||||||||
| 3DD-15/17 | 50-80 | 2”-3” | 12.7 | 3 | 15.5 | - | - | 57.15 | 92 | 4-M6 | 
| 100 | 4” | 15.9 | 5 | 20.5 | - | - | 69.85 | 92 | 4-M8 | |
| 125-150 | 5”-6” | 19.05 | 5 | 23.65 | - | - | 69.85 | 92 | 4-M8 | |
| 3DD-15/75 | 200 | 8” | 22.2 | 5 | 26.8 | - | - | 88.9 | 125 | 4-M12 | 
| 250 | 10” | 28.6 | 8 | 35.2 | - | - | ||||
| 3DD-15/120 | 300 | 12” | 31.8 | 8 | 38.4 | - | - | 108 | 140 | 4-M12 | 
| 350 | 14” | 31.8 | 8 | 38.4 | - | - | ||||
| 3DD-30/250 | 400 | 16” | 33.3 | 10 | 39.9 | - | - | 158.75 | 200 | 4-M18 | 
| 450 | 18” | 38.1 | 10 | 44.7 | - | - | ||||
| 3DD-30/300 | 500 | 20” | 41.3 | 10 | 47.9 | - | - | 158.75 | 200 | 4-M18 | 
| 3DD-30/400 | 600 | 24” | 50.8 | 16 | 59.4 | - | - | 215.9 | 278 | 4-M18 | 
| 3DD-60/800 | 700 | 28” | 55 | 16 | 63.6 | - | - | 254 | 300 | 8-M16 | 
| 800 | 32” | - | - | |||||||
PRODUCT CENTER
