PRODUCT CENTER
PRODUCT CENTER
PRODUCT CENTER
 
         
            

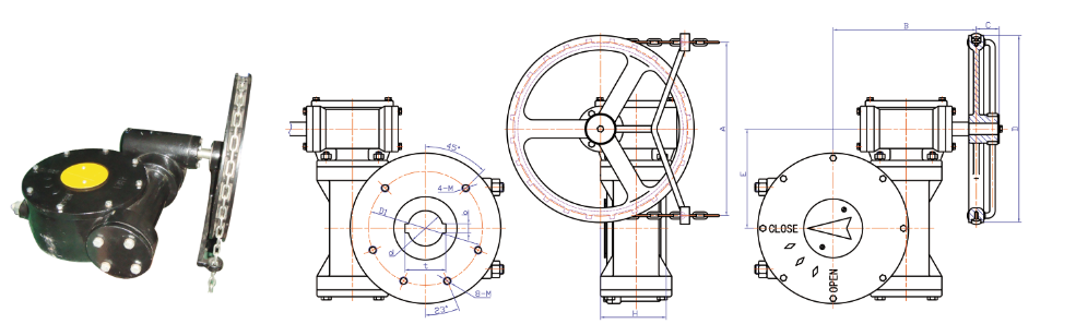
| 型号/ Model | 规格/Spec | 速比 Ratio | d | b | t | D1 | 4-M | A | B | D | E | H | 
| 3D-15 | DN50-80/2 "-3" | 24:1 | 12.7 | 3 | 14.1 | 70 | 4-M8 | 180 | 132 | 200 | 45 | 29 | 
| DN100/4" | 15.9 | 5 | 18.2 | |||||||||
| DN125-150/5"-6" | 19.05 | 5 | 21.35 | |||||||||
| 3D-50 | DN200/8" | 30:1 | 22.2 | 5 | 24.5 | 102 | 4-M10 | 270 | 225 | 290 | 63 | 35 | 
| DN250/10" | 28.6 | 8 | 31.9 | |||||||||
| 3D-120 | DN300/12" | 50:1 | 31.8 | 8 | 35.1 | 125 | 4-M12 | 270 | 215 | 290 | 81 | 40.5 | 
| DN350/14" | 31.8 | 8 | 35.1 | |||||||||
| 3D-250 | DN400/16" | 80:1 | 33.3 | 10 | 36.6 | 165 | 4-M20 | 380 | 270 | 410 | 120 | 58.5 | 
| DN450/18" | 38.1 | 10 | 41.4 | 
| 型号/ Model | 规格/Spec | 速比 Ratio | d | b | t | D1 | n-M | A | B | C | D | E | H | 
| 3D-30/300 | DN500/20" | 352:1 | 41.3 | 10 | 47.9 | 165 | 4-M20 | 380 | 268 | 50 | 410 | 185 | 120 | 
| 3D-30/400 | DN600/24" | 416:1 | 50.8 | 16 | 59.4 | 165 | 4-M20 | 380 | 283 | 50 | 410 | 185 | 126 | 
| 3D-60/800 | DN700/28" | 754:1 | 55 | 16 | 63.4 | 254 | 8-M16 | 380 | 313 | 50 50 | 410 | 218 | 144 | 
| DN800/32" | 
 
            

| 型号/ Model | 规格/Spec | 速比 Ratio | d | b | t | D1 | 4-M | A | B | D | E | H | 
| 3D-15 | DN50-80/2 "-3" | 24:1 | 12.7 | 3 | 14.1 | 70 | 4-M8 | 180 | 132 | 200 | 45 | 29 | 
| DN100/4" | 15.9 | 5 | 18.2 | |||||||||
| DN125-150/5"-6" | 19.05 | 5 | 21.35 | |||||||||
| 3D-50 | DN200/8" | 30:1 | 22.2 | 5 | 24.5 | 102 | 4-M10 | 270 | 225 | 290 | 63 | 35 | 
| DN250/10" | 28.6 | 8 | 31.9 | |||||||||
| 3D-120 | DN300/12" | 50:1 | 31.8 | 8 | 35.1 | 125 | 4-M12 | 270 | 215 | 290 | 81 | 40.5 | 
| DN350/14" | 31.8 | 8 | 35.1 | |||||||||
| 3D-250 | DN400/16" | 80:1 | 33.3 | 10 | 36.6 | 165 | 4-M20 | 380 | 270 | 410 | 120 | 58.5 | 
| DN450/18" | 38.1 | 10 | 41.4 | 
| 型号/ Model | 规格/Spec | 速比 Ratio | d | b | t | D1 | n-M | A | B | C | D | E | H | 
| 3D-30/300 | DN500/20" | 352:1 | 41.3 | 10 | 47.9 | 165 | 4-M20 | 380 | 268 | 50 | 410 | 185 | 120 | 
| 3D-30/400 | DN600/24" | 416:1 | 50.8 | 16 | 59.4 | 165 | 4-M20 | 380 | 283 | 50 | 410 | 185 | 126 | 
| 3D-60/800 | DN700/28" | 754:1 | 55 | 16 | 63.4 | 254 | 8-M16 | 380 | 313 | 50 50 | 410 | 218 | 144 | 
| DN800/32" | 


| 型号/ Model | 规格/Spec | 速比 Ratio | d | b | t | D1 | 4-M | A | B | D | E | H | 
| 3D-15 | DN50-80/2 "-3" | 24:1 | 12.7 | 3 | 14.1 | 70 | 4-M8 | 180 | 132 | 200 | 45 | 29 | 
| DN100/4" | 15.9 | 5 | 18.2 | |||||||||
| DN125-150/5"-6" | 19.05 | 5 | 21.35 | |||||||||
| 3D-50 | DN200/8" | 30:1 | 22.2 | 5 | 24.5 | 102 | 4-M10 | 270 | 225 | 290 | 63 | 35 | 
| DN250/10" | 28.6 | 8 | 31.9 | |||||||||
| 3D-120 | DN300/12" | 50:1 | 31.8 | 8 | 35.1 | 125 | 4-M12 | 270 | 215 | 290 | 81 | 40.5 | 
| DN350/14" | 31.8 | 8 | 35.1 | |||||||||
| 3D-250 | DN400/16" | 80:1 | 33.3 | 10 | 36.6 | 165 | 4-M20 | 380 | 270 | 410 | 120 | 58.5 | 
| DN450/18" | 38.1 | 10 | 41.4 | 
| 型号/ Model | 规格/Spec | 速比 Ratio | d | b | t | D1 | n-M | A | B | C | D | E | H | 
| 3D-30/300 | DN500/20" | 352:1 | 41.3 | 10 | 47.9 | 165 | 4-M20 | 380 | 268 | 50 | 410 | 185 | 120 | 
| 3D-30/400 | DN600/24" | 416:1 | 50.8 | 16 | 59.4 | 165 | 4-M20 | 380 | 283 | 50 | 410 | 185 | 126 | 
| 3D-60/800 | DN700/28" | 754:1 | 55 | 16 | 63.4 | 254 | 8-M16 | 380 | 313 | 50 50 | 410 | 218 | 144 | 
| DN800/32" | 
PRODUCT CENTER
