PRODUCT CENTER
PRODUCT CENTER
PRODUCT CENTER
 
         
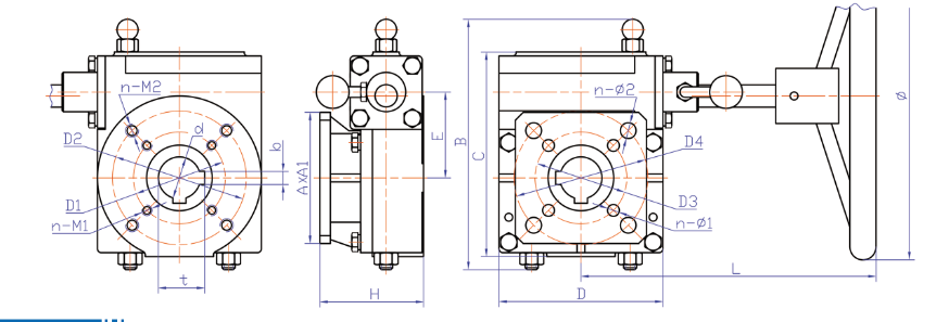
            本产品与气动装置联合使用,用于90°开启的蝶阀、旋塞阀等阀门。体积小、重量轻,设计合理,式样新颖。提起限位销,旋转偏心装置180° ,限位销自动限位,实现气动;反之,实现手动。产品系列化,输出转矩与气动装置、各种阀门匹配。
This product is used in combination with pneumatic device, for 90 degree open butterfly valve, plug valve, etc.. Small volume, light weight, reasonable design, novel style. Pull limit pin, rotating eccentric device 180 degrees, limit pin automatic limit, realize pneumatic; conversely, realize manual. Product series, output torque and pneumatic devices, a variety of valve matching.

| 型号/ Model | 速比/Ratio | 输入扭矩/Input(N.m) | 输出扭矩(Nm) Output Torque | 手轮直径(mm) Hand-wheel Dia | 重量/WT(kg) | 
| MLHJ26 | 26 | 60 | 300 | 200 | 6.7 | 
| MLHJ38 | 38 | 60 | 550 | 200 | 13 | 
| 75 | 620 | 250 | |||
| 90 | 700 | 300 | |||
| MLHJ54 | 54 | 100 | 1000 | 250 | 20 | 
| 120 | 1200 | 300 | |||
| MLHJ80 | 80 | 110 | 1600 | 300 | 27 | 
| 140 | 2000 | 400 | |||
| MLHJ78 | 78 | 200 | 3100 | 600 | 37 | 
| MLHJ320 | 320 | 120 | 7000 | 500 | 105 | 
| 型号/ Model | d | b | t | D1 | n-M1 | D2 | n-M2 | A×A1 | D3 | n-φ1 | D4 | n-φ2 | H | φ | H×H | 气缸缸号 Cyllnder mofel | L | B | C | D | E | 
| MLHJ26 | 18 | 6 | 20.8 | 70 | 4-M8 | 64×64 | 70 | 4-φ9 | 82 | 200 | 14×14 | GTX.63 | 182 | 166 | 130 | 104 | 50.5 | ||||
| 22.2 | 8 | 25.8 | 70 | 4-M8 | 64×64 | 70 | 4-φ9 | 82 | 200 | 17×17 | GTX.83~92 | 182 | 166 | 130 | 104 | 50.5 | |||||
| MLHJ38 | 22.2 | 8 | 25.5 | 70 | 4-M8 | 100×70 | 70 | 4-φ9 | 79 | 200 | 17×17 | GTX.83~92 | 221 | 191 | 156 | 125 | 65.5 | ||||
| 32 | 10 | 35.3 | 70 | 4-M8 | 102 | 4-M10 | 100×100 | 70 | 4-φ9 | 102 | 4-φ12 | 79 | 200 | 22×22 | GTX.110~127 | 221 | 191 | 156 | 125 | 65.5 | |
| 38 | 10 | 41.3 | 102 | 4-M10 | 110×110 | 125 | 4-φ14 | 82 | 250 | 27×27 | GTX.160 | 225 | 191 | 156 | 125 | 65.5 | |||||
| 45 | 14 | 48.8 | 102 | 4-M10 | 130×130 | 140 | 4-φ18 | 88 | 300 | 36×36 | GTX.210 | 225 | 191 | 156 | 125 | 65.5 | |||||
| MLHJ54 | 36 | 10 | 39.3 | 102 | 4-M10 | 125 | 4-M12 | 110×110 | 102 | 4-φ12 | 86 | 250 | 27×27 | GTX.160 | 233 | 234 | 200 | 175 | 85.5 | ||
| 36 | 10 | 39.3 | 102 | 4-M10 | 125 | 4-M12 | 110×110 | 125 | 4-φ14 | 86 | 250 | 27×27 | GTX.160 | 233 | 234 | 200 | 175 | 85.5 | |||
| 48 | 14 | 51.8 | 102 | 4-M10 | 140 | 4-M16 | 130×130 | 140 | 4-φ18 | 95 | 300 | 36×36 | GTX.210 | 233 | 234 | 200 | 175 | 85.5 | |||
| 60 | 18 | 64.4 | 140 | 4-M16 | 156×156 | 165 | 4-φ22 | 103 | 300 | 46×46 | GTX.254~255 | 233 | 234 | 200 | 175 | 85.5 | |||||
| MLHJ80 | 48 | 14 | 51.8 | 140 | 4-M16 | 135×156 | 140 | 4-φ18 | 114 | 300 | 36×36 | GTX.210 | 271 | 305 | 279 | 234 | 123 | ||||
| 60 | 18 | 64.4 | 165 | 4-M20 | 156×156 | 165 | 4-φ22 | 114 | 400 | 46×46 | GTX.254~255 | 277 | 305 | 279 | 234 | 123 | |||||
| MLHJ78 | 48 | 14 | 51.8 | 140 | 4-M16 | 135×156 | 140 | 4-φ18 | 120 | 600 | 36×36 | GTX.210 | 367 | 363 | 322 | 276 | 141.6 | ||||
| 60 | 18 | 64.4 | 165 | 4-M20 | 156×156 | 165 | 4-φ22 | 120 | 600 | 46×46 | GTX.254~255 | 367 | 363 | 322 | 276 | 141.6 | |||||
| MLHJ320 | 75 | 20 | 79.9 | 254 | 8-M16 | 300 | 254 | 8-φ18 | 244 | 500 | 464 | 435 | 386 | 300 | 156.5 | 
 
            本产品与气动装置联合使用,用于90°开启的蝶阀、旋塞阀等阀门。体积小、重量轻,设计合理,式样新颖。提起限位销,旋转偏心装置180° ,限位销自动限位,实现气动;反之,实现手动。产品系列化,输出转矩与气动装置、各种阀门匹配。
This product is used in combination with pneumatic device, for 90 degree open butterfly valve, plug valve, etc.. Small volume, light weight, reasonable design, novel style. Pull limit pin, rotating eccentric device 180 degrees, limit pin automatic limit, realize pneumatic; conversely, realize manual. Product series, output torque and pneumatic devices, a variety of valve matching.

| 型号/ Model | 速比/Ratio | 输入扭矩/Input(N.m) | 输出扭矩(Nm) Output Torque | 手轮直径(mm) Hand-wheel Dia | 重量/WT(kg) | 
| MLHJ26 | 26 | 60 | 300 | 200 | 6.7 | 
| MLHJ38 | 38 | 60 | 550 | 200 | 13 | 
| 75 | 620 | 250 | |||
| 90 | 700 | 300 | |||
| MLHJ54 | 54 | 100 | 1000 | 250 | 20 | 
| 120 | 1200 | 300 | |||
| MLHJ80 | 80 | 110 | 1600 | 300 | 27 | 
| 140 | 2000 | 400 | |||
| MLHJ78 | 78 | 200 | 3100 | 600 | 37 | 
| MLHJ320 | 320 | 120 | 7000 | 500 | 105 | 
| 型号/ Model | d | b | t | D1 | n-M1 | D2 | n-M2 | A×A1 | D3 | n-φ1 | D4 | n-φ2 | H | φ | H×H | 气缸缸号 Cyllnder mofel | L | B | C | D | E | 
| MLHJ26 | 18 | 6 | 20.8 | 70 | 4-M8 | 64×64 | 70 | 4-φ9 | 82 | 200 | 14×14 | GTX.63 | 182 | 166 | 130 | 104 | 50.5 | ||||
| 22.2 | 8 | 25.8 | 70 | 4-M8 | 64×64 | 70 | 4-φ9 | 82 | 200 | 17×17 | GTX.83~92 | 182 | 166 | 130 | 104 | 50.5 | |||||
| MLHJ38 | 22.2 | 8 | 25.5 | 70 | 4-M8 | 100×70 | 70 | 4-φ9 | 79 | 200 | 17×17 | GTX.83~92 | 221 | 191 | 156 | 125 | 65.5 | ||||
| 32 | 10 | 35.3 | 70 | 4-M8 | 102 | 4-M10 | 100×100 | 70 | 4-φ9 | 102 | 4-φ12 | 79 | 200 | 22×22 | GTX.110~127 | 221 | 191 | 156 | 125 | 65.5 | |
| 38 | 10 | 41.3 | 102 | 4-M10 | 110×110 | 125 | 4-φ14 | 82 | 250 | 27×27 | GTX.160 | 225 | 191 | 156 | 125 | 65.5 | |||||
| 45 | 14 | 48.8 | 102 | 4-M10 | 130×130 | 140 | 4-φ18 | 88 | 300 | 36×36 | GTX.210 | 225 | 191 | 156 | 125 | 65.5 | |||||
| MLHJ54 | 36 | 10 | 39.3 | 102 | 4-M10 | 125 | 4-M12 | 110×110 | 102 | 4-φ12 | 86 | 250 | 27×27 | GTX.160 | 233 | 234 | 200 | 175 | 85.5 | ||
| 36 | 10 | 39.3 | 102 | 4-M10 | 125 | 4-M12 | 110×110 | 125 | 4-φ14 | 86 | 250 | 27×27 | GTX.160 | 233 | 234 | 200 | 175 | 85.5 | |||
| 48 | 14 | 51.8 | 102 | 4-M10 | 140 | 4-M16 | 130×130 | 140 | 4-φ18 | 95 | 300 | 36×36 | GTX.210 | 233 | 234 | 200 | 175 | 85.5 | |||
| 60 | 18 | 64.4 | 140 | 4-M16 | 156×156 | 165 | 4-φ22 | 103 | 300 | 46×46 | GTX.254~255 | 233 | 234 | 200 | 175 | 85.5 | |||||
| MLHJ80 | 48 | 14 | 51.8 | 140 | 4-M16 | 135×156 | 140 | 4-φ18 | 114 | 300 | 36×36 | GTX.210 | 271 | 305 | 279 | 234 | 123 | ||||
| 60 | 18 | 64.4 | 165 | 4-M20 | 156×156 | 165 | 4-φ22 | 114 | 400 | 46×46 | GTX.254~255 | 277 | 305 | 279 | 234 | 123 | |||||
| MLHJ78 | 48 | 14 | 51.8 | 140 | 4-M16 | 135×156 | 140 | 4-φ18 | 120 | 600 | 36×36 | GTX.210 | 367 | 363 | 322 | 276 | 141.6 | ||||
| 60 | 18 | 64.4 | 165 | 4-M20 | 156×156 | 165 | 4-φ22 | 120 | 600 | 46×46 | GTX.254~255 | 367 | 363 | 322 | 276 | 141.6 | |||||
| MLHJ320 | 75 | 20 | 79.9 | 254 | 8-M16 | 300 | 254 | 8-φ18 | 244 | 500 | 464 | 435 | 386 | 300 | 156.5 | 
本产品与气动装置联合使用,用于90°开启的蝶阀、旋塞阀等阀门。体积小、重量轻,设计合理,式样新颖。提起限位销,旋转偏心装置180° ,限位销自动限位,实现气动;反之,实现手动。产品系列化,输出转矩与气动装置、各种阀门匹配。
This product is used in combination with pneumatic device, for 90 degree open butterfly valve, plug valve, etc.. Small volume, light weight, reasonable design, novel style. Pull limit pin, rotating eccentric device 180 degrees, limit pin automatic limit, realize pneumatic; conversely, realize manual. Product series, output torque and pneumatic devices, a variety of valve matching.

| 型号/ Model | 速比/Ratio | 输入扭矩/Input(N.m) | 输出扭矩(Nm) Output Torque | 手轮直径(mm) Hand-wheel Dia | 重量/WT(kg) | 
| MLHJ26 | 26 | 60 | 300 | 200 | 6.7 | 
| MLHJ38 | 38 | 60 | 550 | 200 | 13 | 
| 75 | 620 | 250 | |||
| 90 | 700 | 300 | |||
| MLHJ54 | 54 | 100 | 1000 | 250 | 20 | 
| 120 | 1200 | 300 | |||
| MLHJ80 | 80 | 110 | 1600 | 300 | 27 | 
| 140 | 2000 | 400 | |||
| MLHJ78 | 78 | 200 | 3100 | 600 | 37 | 
| MLHJ320 | 320 | 120 | 7000 | 500 | 105 | 
| 型号/ Model | d | b | t | D1 | n-M1 | D2 | n-M2 | A×A1 | D3 | n-φ1 | D4 | n-φ2 | H | φ | H×H | 气缸缸号 Cyllnder mofel | L | B | C | D | E | 
| MLHJ26 | 18 | 6 | 20.8 | 70 | 4-M8 | 64×64 | 70 | 4-φ9 | 82 | 200 | 14×14 | GTX.63 | 182 | 166 | 130 | 104 | 50.5 | ||||
| 22.2 | 8 | 25.8 | 70 | 4-M8 | 64×64 | 70 | 4-φ9 | 82 | 200 | 17×17 | GTX.83~92 | 182 | 166 | 130 | 104 | 50.5 | |||||
| MLHJ38 | 22.2 | 8 | 25.5 | 70 | 4-M8 | 100×70 | 70 | 4-φ9 | 79 | 200 | 17×17 | GTX.83~92 | 221 | 191 | 156 | 125 | 65.5 | ||||
| 32 | 10 | 35.3 | 70 | 4-M8 | 102 | 4-M10 | 100×100 | 70 | 4-φ9 | 102 | 4-φ12 | 79 | 200 | 22×22 | GTX.110~127 | 221 | 191 | 156 | 125 | 65.5 | |
| 38 | 10 | 41.3 | 102 | 4-M10 | 110×110 | 125 | 4-φ14 | 82 | 250 | 27×27 | GTX.160 | 225 | 191 | 156 | 125 | 65.5 | |||||
| 45 | 14 | 48.8 | 102 | 4-M10 | 130×130 | 140 | 4-φ18 | 88 | 300 | 36×36 | GTX.210 | 225 | 191 | 156 | 125 | 65.5 | |||||
| MLHJ54 | 36 | 10 | 39.3 | 102 | 4-M10 | 125 | 4-M12 | 110×110 | 102 | 4-φ12 | 86 | 250 | 27×27 | GTX.160 | 233 | 234 | 200 | 175 | 85.5 | ||
| 36 | 10 | 39.3 | 102 | 4-M10 | 125 | 4-M12 | 110×110 | 125 | 4-φ14 | 86 | 250 | 27×27 | GTX.160 | 233 | 234 | 200 | 175 | 85.5 | |||
| 48 | 14 | 51.8 | 102 | 4-M10 | 140 | 4-M16 | 130×130 | 140 | 4-φ18 | 95 | 300 | 36×36 | GTX.210 | 233 | 234 | 200 | 175 | 85.5 | |||
| 60 | 18 | 64.4 | 140 | 4-M16 | 156×156 | 165 | 4-φ22 | 103 | 300 | 46×46 | GTX.254~255 | 233 | 234 | 200 | 175 | 85.5 | |||||
| MLHJ80 | 48 | 14 | 51.8 | 140 | 4-M16 | 135×156 | 140 | 4-φ18 | 114 | 300 | 36×36 | GTX.210 | 271 | 305 | 279 | 234 | 123 | ||||
| 60 | 18 | 64.4 | 165 | 4-M20 | 156×156 | 165 | 4-φ22 | 114 | 400 | 46×46 | GTX.254~255 | 277 | 305 | 279 | 234 | 123 | |||||
| MLHJ78 | 48 | 14 | 51.8 | 140 | 4-M16 | 135×156 | 140 | 4-φ18 | 120 | 600 | 36×36 | GTX.210 | 367 | 363 | 322 | 276 | 141.6 | ||||
| 60 | 18 | 64.4 | 165 | 4-M20 | 156×156 | 165 | 4-φ22 | 120 | 600 | 46×46 | GTX.254~255 | 367 | 363 | 322 | 276 | 141.6 | |||||
| MLHJ320 | 75 | 20 | 79.9 | 254 | 8-M16 | 300 | 254 | 8-φ18 | 244 | 500 | 464 | 435 | 386 | 300 | 156.5 | 
PRODUCT CENTER
