db真人旗舰,db真人旗舰官方网站,db真人旗舰官方平台,db真人官网

民主机械 产品中心

PRODUCT CENTER

产品中心

PRODUCT CENTER

首页>产品中心

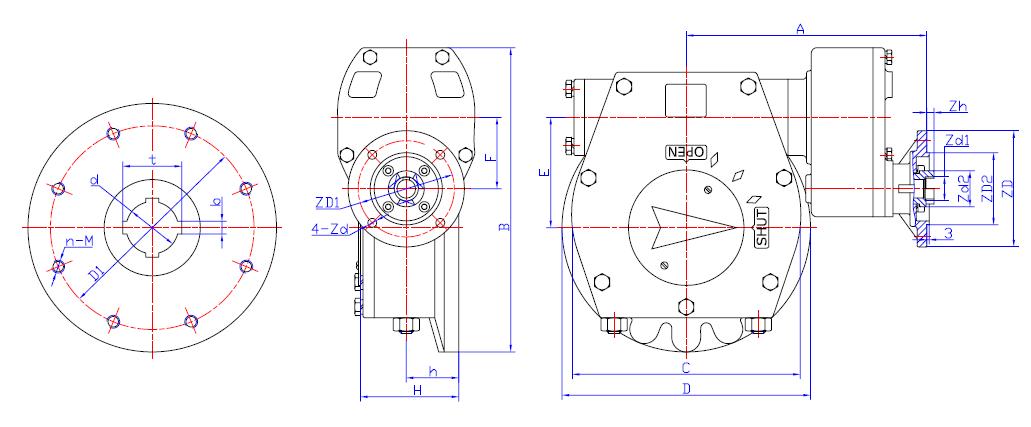
M00型电装传动装置(二级)

M00 electric worm-gear device(Double-stage)

产品简介

本产品是为配电动装置而设计的,可以使电动头规格减小。采用蜗轮蜗杆传动副,结构合理、组装方便,具有可靠的自锁性。适用于90°回转的蝶阀、球阀、旋塞阀等阀门用电动控制时选用。

This product is designed to be equipped with electric devices, which can reduce the size of electric actuators. It adopts worm gear drive pair, reasonable structure, convenient assembly, and reliable self-locking. Suitable for electric control of 90°rotating butterfly valves, ball valves, cock valves and other valves.

主要件明细表

M00电装2.JPG

技术参数

型号Model额定扭矩Torque Nm速比Ratio输入扭矩Input torque   Nm最大内孔Max hole

允许法兰

  Flange min/max

建议电装扭矩Nm Torque   of electric actuators
M36/S5-Z158000210:118085F16、F25150
M50/S5-Z1511000250:1180110F25、F30150
M50/D12-Z1516000612:1190110F25、F30150
M60/D12-Z2024000720:1220160F30、F35200
M65/D12-Z2035000882:1230160F30、F35200
M70/D18-Z20500001242:1200160F30、F35、F40200
M75/D18-Z20700001430:1240180F35、F40200
M80/D21-Z301000001805:1320185F35、F40、F48300
M90/D28-Z301600002430:1320185F48、F60300


外形尺寸表

型号  ModeldbtD1n-MABCDEFHh
M36/S5-Z15651673.62548-M163003802863101388913073
M50/S5-Z15752084.82548-M163314463553551818916080
M50/D12-Z15852295.82548-M1637844035535518115116080
M60/D12-Z2012032134.82988-M2043052846341523715116582
M65/D12-Z2012032134.83568-M3046257255841528215117284
M70/D18-Z2012032134.83568-M30497657610475309192225107
M75/D18-Z2015036166.84068-M36517697692475349192231110
M80/D21-Z3015036166.84068-M36638826760560391264270130
M90/D28-Z3018045200.848312-M367211003968686491298300138


连接尺寸表

型号  ModelZDZD1ZD2ZhZd1Zd24-Zd
M36/S5-Z1514512090930454-φ11
M50/S5-Z1514512090930454-φ11
M50/D12-Z1514512090930454-φ11
M60/D12-Z201851601251142584-φ13
M65/D12-Z201851601251142584-φ13
M70/D18-Z201851601251142584-φ13
M75/D18-Z201851601251142584-φ13
M80/D21-Z301851601251142584-φ13
M90/D28-Z301851601251142584-φ13


首页>产品中心

M00型电装传动装置(二级)

M00 electric worm-gear device(Double-stage)

产品简介

本产品是为配电动装置而设计的,可以使电动头规格减小。采用蜗轮蜗杆传动副,结构合理、组装方便,具有可靠的自锁性。适用于90°回转的蝶阀、球阀、旋塞阀等阀门用电动控制时选用。

This product is designed to be equipped with electric devices, which can reduce the size of electric actuators. It adopts worm gear drive pair, reasonable structure, convenient assembly, and reliable self-locking. Suitable for electric control of 90°rotating butterfly valves, ball valves, cock valves and other valves.

主要件明细表

M00电装2.JPG

技术参数

型号Model额定扭矩Torque Nm速比Ratio输入扭矩Input torque   Nm最大内孔Max hole

允许法兰

  Flange min/max

建议电装扭矩Nm Torque   of electric actuators
M36/S5-Z158000210:118085F16、F25150
M50/S5-Z1511000250:1180110F25、F30150
M50/D12-Z1516000612:1190110F25、F30150
M60/D12-Z2024000720:1220160F30、F35200
M65/D12-Z2035000882:1230160F30、F35200
M70/D18-Z20500001242:1200160F30、F35、F40200
M75/D18-Z20700001430:1240180F35、F40200
M80/D21-Z301000001805:1320185F35、F40、F48300
M90/D28-Z301600002430:1320185F48、F60300


外形尺寸表

型号  ModeldbtD1n-MABCDEFHh
M36/S5-Z15651673.62548-M163003802863101388913073
M50/S5-Z15752084.82548-M163314463553551818916080
M50/D12-Z15852295.82548-M1637844035535518115116080
M60/D12-Z2012032134.82988-M2043052846341523715116582
M65/D12-Z2012032134.83568-M3046257255841528215117284
M70/D18-Z2012032134.83568-M30497657610475309192225107
M75/D18-Z2015036166.84068-M36517697692475349192231110
M80/D21-Z3015036166.84068-M36638826760560391264270130
M90/D28-Z3018045200.848312-M367211003968686491298300138


连接尺寸表

型号  ModelZDZD1ZD2ZhZd1Zd24-Zd
M36/S5-Z1514512090930454-φ11
M50/S5-Z1514512090930454-φ11
M50/D12-Z1514512090930454-φ11
M60/D12-Z201851601251142584-φ13
M65/D12-Z201851601251142584-φ13
M70/D18-Z201851601251142584-φ13
M75/D18-Z201851601251142584-φ13
M80/D21-Z301851601251142584-φ13
M90/D28-Z301851601251142584-φ13


产品简介

本产品是为配电动装置而设计的,可以使电动头规格减小。采用蜗轮蜗杆传动副,结构合理、组装方便,具有可靠的自锁性。适用于90°回转的蝶阀、球阀、旋塞阀等阀门用电动控制时选用。

This product is designed to be equipped with electric devices, which can reduce the size of electric actuators. It adopts worm gear drive pair, reasonable structure, convenient assembly, and reliable self-locking. Suitable for electric control of 90°rotating butterfly valves, ball valves, cock valves and other valves.

主要件明细表

M00电装2.JPG

技术参数

型号Model额定扭矩Torque Nm速比Ratio输入扭矩Input torque   Nm最大内孔Max hole

允许法兰

  Flange min/max

建议电装扭矩Nm Torque   of electric actuators
M36/S5-Z158000210:118085F16、F25150
M50/S5-Z1511000250:1180110F25、F30150
M50/D12-Z1516000612:1190110F25、F30150
M60/D12-Z2024000720:1220160F30、F35200
M65/D12-Z2035000882:1230160F30、F35200
M70/D18-Z20500001242:1200160F30、F35、F40200
M75/D18-Z20700001430:1240180F35、F40200
M80/D21-Z301000001805:1320185F35、F40、F48300
M90/D28-Z301600002430:1320185F48、F60300


外形尺寸表

型号  ModeldbtD1n-MABCDEFHh
M36/S5-Z15651673.62548-M163003802863101388913073
M50/S5-Z15752084.82548-M163314463553551818916080
M50/D12-Z15852295.82548-M1637844035535518115116080
M60/D12-Z2012032134.82988-M2043052846341523715116582
M65/D12-Z2012032134.83568-M3046257255841528215117284
M70/D18-Z2012032134.83568-M30497657610475309192225107
M75/D18-Z2015036166.84068-M36517697692475349192231110
M80/D21-Z3015036166.84068-M36638826760560391264270130
M90/D28-Z3018045200.848312-M367211003968686491298300138


连接尺寸表

型号  ModelZDZD1ZD2ZhZd1Zd24-Zd
M36/S5-Z1514512090930454-φ11
M50/S5-Z1514512090930454-φ11
M50/D12-Z1514512090930454-φ11
M60/D12-Z201851601251142584-φ13
M65/D12-Z201851601251142584-φ13
M70/D18-Z201851601251142584-φ13
M75/D18-Z201851601251142584-φ13
M80/D21-Z301851601251142584-φ13
M90/D28-Z301851601251142584-φ13


db真人旗舰官方平台

河北省宁晋县宁高路6号

0319-5804848 / 0319-5803466

genghz@126.com

0319-5806391

关注我们

扫一扫db真人旗舰官方平台

版权所有:河北民主机械有限公司 备案号:冀ICP备21987396号
db真人旗舰