PRODUCT CENTER
PRODUCT CENTER
PRODUCT CENTER
 
         
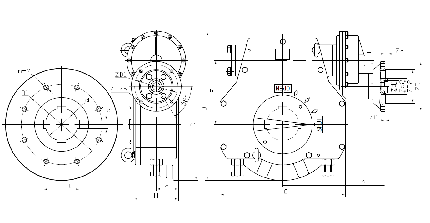
            本产品是为配电动装置而设计的,可以使电动头规格减小。采用蜗轮蜗杆传动副,结构合理、组装方便,具有可靠的自锁性。适用于90°回转的蝶阀、球阀、旋塞阀等阀门用电动控制时选用。

| 型号 Model | 额定扭矩Torque Nm | 速比Ratio | 输入扭矩Input Torque Nm | 最大内孔Hole max | 允许法兰 Moting Flange | 建议电装扭矩 Electical device Torque Nm | 可选速比 Optional ratio | 可选速比 Optional ratio | 可选速比 Optional ratio | |||
| 速比Ratio | 输入扭矩 Input Nm | 速比Ratio | 输入扭矩 Input Nm | 速比Ratio | 输入扭矩 Input Nm | |||||||
| M36S-Z15 | 8000 | 232:1 | 150 | 110 | F16、F25 | 150 | 150:1 | 225 | 304:1 | 110 | ||
| M50S-Z20 | 16000 | 277:1 | 240 | 110 | F25、F30 | 200 | 178:1 | 370 | 363:1 | 285 | ||
| M60S-Z30 | 24000 | 325:1 | 300 | 160 | F30、F35 | 300 | 210:1 | 470 | 427:1 | 230 | ||
| M65S-Z30 | 35000 | 399:1 | 360 | 160 | F30、F35 | 300 | 257:1 | 560 | 523:1 | 270 | ||
| M70S-Z60 | 50000 | 338:1 | 620 | 160 | F30、F35、F40 | 600 | 209:1 | 1000 | 261:1 | 800 | 506:1 | 420 | 
| M75S-Z60 | 70000 | 389:1 | 750 | 180 | F35、F40 | 600 | 241:1 | 1250 | 301:1 | 970 | 583:1 | 500 | 
| M80S-Z90 | 100000 | 389:1 | 1070 | 185 | F35、F40、F48 | 900 | 237:1 | 1760 | 291:1 | 1430 | 558:1 | 750 | 
| M90S-Z120 | 160000 | 399:1 | 1650 | 240 | F48、F60 | 1200 | 243:1 | 2740 | 298:1 | 2240 | 572:1 | 1150 | 
| 型号Model | d | b | t | D1 | n-M | A | B | C | D | E | F | H | h | ZD | ZD1 | ZD2 | Zf | Zh | Zd1 | Zd2 | 4-Zd | 
| M36S-Z15 | 65 | 16 | 73.6 | 254 | 8-M16 | 306 | 411 | 286 | 310 | 138 | 96 | 130 | 73 | 145 | 120 | 90 | 3 | 9 | 30 | 45 | 4-φ11 | 
| M50S-Z20 | 85 | 22 | 95.8 | 254 | 8-M16 | 345 | 468 | 355 | 355 | 181 | 96 | 160 | 80 | 185 | 160 | 125 | 3 | 11 | 42 | 58 | 4-φ13 | 
| M60S-Z30 | 120 | 32 | 134.8 | 298 | 8-M20 | 378 | 554 | 463 | 415 | 237 | 96 | 165 | 82 | 185 | 160 | 125 | 3 | 11 | 42 | 58 | 4-φ13 | 
| M65S-Z30 | 120 | 32 | 134.8 | 356 | 8-M30 | 410 | 599 | 558 | 415 | 282 | 96 | 172 | 84 | 185 | 160 | 125 | 3 | 11 | 42 | 58 | 4-φ13 | 
| M70S-Z60 | 120 | 32 | 134.8 | 356 | 8-M30 | 518 | 725 | 610 | 475 | 309 | 158 | 225 | 107 | 225 | 195 | 150 | 3 | 13 | 50 | 72 | 4-φ18 | 
| M75S-Z60 | 150 | 36 | 166.8 | 406 | 8-M36 | 538 | 765 | 692 | 475 | 349 | 158 | 231 | 110 | 225 | 195 | 150 | 3 | 13 | 50 | 72 | 4-φ18 | 
| M80S-Z90 | 150 | 36 | 166.8 | 406 | 8-M36 | 627 | 958 | 760 | 560 | 391 | 215 | 270 | 130 | 275 | 235 | 180 | 3 | 15 | 50 | 82 | 4-φ22 | 
| M90S-Z120 | 180 | 45 | 200.8 | 483 | 12-M36 | 692 | 1073 | 968 | 686 | 491 | 215 | 300 | 138 | 275 | 235 | 180 | 3 | 15 | 50 | 82 | 4-φ22 | 
1
 
            本产品是为配电动装置而设计的,可以使电动头规格减小。采用蜗轮蜗杆传动副,结构合理、组装方便,具有可靠的自锁性。适用于90°回转的蝶阀、球阀、旋塞阀等阀门用电动控制时选用。

| 型号 Model | 额定扭矩Torque Nm | 速比Ratio | 输入扭矩Input Torque Nm | 最大内孔Hole max | 允许法兰 Moting Flange | 建议电装扭矩 Electical device Torque Nm | 可选速比 Optional ratio | 可选速比 Optional ratio | 可选速比 Optional ratio | |||
| 速比Ratio | 输入扭矩 Input Nm | 速比Ratio | 输入扭矩 Input Nm | 速比Ratio | 输入扭矩 Input Nm | |||||||
| M36S-Z15 | 8000 | 232:1 | 150 | 110 | F16、F25 | 150 | 150:1 | 225 | 304:1 | 110 | ||
| M50S-Z20 | 16000 | 277:1 | 240 | 110 | F25、F30 | 200 | 178:1 | 370 | 363:1 | 285 | ||
| M60S-Z30 | 24000 | 325:1 | 300 | 160 | F30、F35 | 300 | 210:1 | 470 | 427:1 | 230 | ||
| M65S-Z30 | 35000 | 399:1 | 360 | 160 | F30、F35 | 300 | 257:1 | 560 | 523:1 | 270 | ||
| M70S-Z60 | 50000 | 338:1 | 620 | 160 | F30、F35、F40 | 600 | 209:1 | 1000 | 261:1 | 800 | 506:1 | 420 | 
| M75S-Z60 | 70000 | 389:1 | 750 | 180 | F35、F40 | 600 | 241:1 | 1250 | 301:1 | 970 | 583:1 | 500 | 
| M80S-Z90 | 100000 | 389:1 | 1070 | 185 | F35、F40、F48 | 900 | 237:1 | 1760 | 291:1 | 1430 | 558:1 | 750 | 
| M90S-Z120 | 160000 | 399:1 | 1650 | 240 | F48、F60 | 1200 | 243:1 | 2740 | 298:1 | 2240 | 572:1 | 1150 | 
| 型号Model | d | b | t | D1 | n-M | A | B | C | D | E | F | H | h | ZD | ZD1 | ZD2 | Zf | Zh | Zd1 | Zd2 | 4-Zd | 
| M36S-Z15 | 65 | 16 | 73.6 | 254 | 8-M16 | 306 | 411 | 286 | 310 | 138 | 96 | 130 | 73 | 145 | 120 | 90 | 3 | 9 | 30 | 45 | 4-φ11 | 
| M50S-Z20 | 85 | 22 | 95.8 | 254 | 8-M16 | 345 | 468 | 355 | 355 | 181 | 96 | 160 | 80 | 185 | 160 | 125 | 3 | 11 | 42 | 58 | 4-φ13 | 
| M60S-Z30 | 120 | 32 | 134.8 | 298 | 8-M20 | 378 | 554 | 463 | 415 | 237 | 96 | 165 | 82 | 185 | 160 | 125 | 3 | 11 | 42 | 58 | 4-φ13 | 
| M65S-Z30 | 120 | 32 | 134.8 | 356 | 8-M30 | 410 | 599 | 558 | 415 | 282 | 96 | 172 | 84 | 185 | 160 | 125 | 3 | 11 | 42 | 58 | 4-φ13 | 
| M70S-Z60 | 120 | 32 | 134.8 | 356 | 8-M30 | 518 | 725 | 610 | 475 | 309 | 158 | 225 | 107 | 225 | 195 | 150 | 3 | 13 | 50 | 72 | 4-φ18 | 
| M75S-Z60 | 150 | 36 | 166.8 | 406 | 8-M36 | 538 | 765 | 692 | 475 | 349 | 158 | 231 | 110 | 225 | 195 | 150 | 3 | 13 | 50 | 72 | 4-φ18 | 
| M80S-Z90 | 150 | 36 | 166.8 | 406 | 8-M36 | 627 | 958 | 760 | 560 | 391 | 215 | 270 | 130 | 275 | 235 | 180 | 3 | 15 | 50 | 82 | 4-φ22 | 
| M90S-Z120 | 180 | 45 | 200.8 | 483 | 12-M36 | 692 | 1073 | 968 | 686 | 491 | 215 | 300 | 138 | 275 | 235 | 180 | 3 | 15 | 50 | 82 | 4-φ22 | 
1
本产品是为配电动装置而设计的,可以使电动头规格减小。采用蜗轮蜗杆传动副,结构合理、组装方便,具有可靠的自锁性。适用于90°回转的蝶阀、球阀、旋塞阀等阀门用电动控制时选用。

| 型号 Model | 额定扭矩Torque Nm | 速比Ratio | 输入扭矩Input Torque Nm | 最大内孔Hole max | 允许法兰 Moting Flange | 建议电装扭矩 Electical device Torque Nm | 可选速比 Optional ratio | 可选速比 Optional ratio | 可选速比 Optional ratio | |||
| 速比Ratio | 输入扭矩 Input Nm | 速比Ratio | 输入扭矩 Input Nm | 速比Ratio | 输入扭矩 Input Nm | |||||||
| M36S-Z15 | 8000 | 232:1 | 150 | 110 | F16、F25 | 150 | 150:1 | 225 | 304:1 | 110 | ||
| M50S-Z20 | 16000 | 277:1 | 240 | 110 | F25、F30 | 200 | 178:1 | 370 | 363:1 | 285 | ||
| M60S-Z30 | 24000 | 325:1 | 300 | 160 | F30、F35 | 300 | 210:1 | 470 | 427:1 | 230 | ||
| M65S-Z30 | 35000 | 399:1 | 360 | 160 | F30、F35 | 300 | 257:1 | 560 | 523:1 | 270 | ||
| M70S-Z60 | 50000 | 338:1 | 620 | 160 | F30、F35、F40 | 600 | 209:1 | 1000 | 261:1 | 800 | 506:1 | 420 | 
| M75S-Z60 | 70000 | 389:1 | 750 | 180 | F35、F40 | 600 | 241:1 | 1250 | 301:1 | 970 | 583:1 | 500 | 
| M80S-Z90 | 100000 | 389:1 | 1070 | 185 | F35、F40、F48 | 900 | 237:1 | 1760 | 291:1 | 1430 | 558:1 | 750 | 
| M90S-Z120 | 160000 | 399:1 | 1650 | 240 | F48、F60 | 1200 | 243:1 | 2740 | 298:1 | 2240 | 572:1 | 1150 | 
| 型号Model | d | b | t | D1 | n-M | A | B | C | D | E | F | H | h | ZD | ZD1 | ZD2 | Zf | Zh | Zd1 | Zd2 | 4-Zd | 
| M36S-Z15 | 65 | 16 | 73.6 | 254 | 8-M16 | 306 | 411 | 286 | 310 | 138 | 96 | 130 | 73 | 145 | 120 | 90 | 3 | 9 | 30 | 45 | 4-φ11 | 
| M50S-Z20 | 85 | 22 | 95.8 | 254 | 8-M16 | 345 | 468 | 355 | 355 | 181 | 96 | 160 | 80 | 185 | 160 | 125 | 3 | 11 | 42 | 58 | 4-φ13 | 
| M60S-Z30 | 120 | 32 | 134.8 | 298 | 8-M20 | 378 | 554 | 463 | 415 | 237 | 96 | 165 | 82 | 185 | 160 | 125 | 3 | 11 | 42 | 58 | 4-φ13 | 
| M65S-Z30 | 120 | 32 | 134.8 | 356 | 8-M30 | 410 | 599 | 558 | 415 | 282 | 96 | 172 | 84 | 185 | 160 | 125 | 3 | 11 | 42 | 58 | 4-φ13 | 
| M70S-Z60 | 120 | 32 | 134.8 | 356 | 8-M30 | 518 | 725 | 610 | 475 | 309 | 158 | 225 | 107 | 225 | 195 | 150 | 3 | 13 | 50 | 72 | 4-φ18 | 
| M75S-Z60 | 150 | 36 | 166.8 | 406 | 8-M36 | 538 | 765 | 692 | 475 | 349 | 158 | 231 | 110 | 225 | 195 | 150 | 3 | 13 | 50 | 72 | 4-φ18 | 
| M80S-Z90 | 150 | 36 | 166.8 | 406 | 8-M36 | 627 | 958 | 760 | 560 | 391 | 215 | 270 | 130 | 275 | 235 | 180 | 3 | 15 | 50 | 82 | 4-φ22 | 
| M90S-Z120 | 180 | 45 | 200.8 | 483 | 12-M36 | 692 | 1073 | 968 | 686 | 491 | 215 | 300 | 138 | 275 | 235 | 180 | 3 | 15 | 50 | 82 | 4-φ22 | 
1
PRODUCT CENTER
