PRODUCT CENTER
PRODUCT CENTER
PRODUCT CENTER
 
         
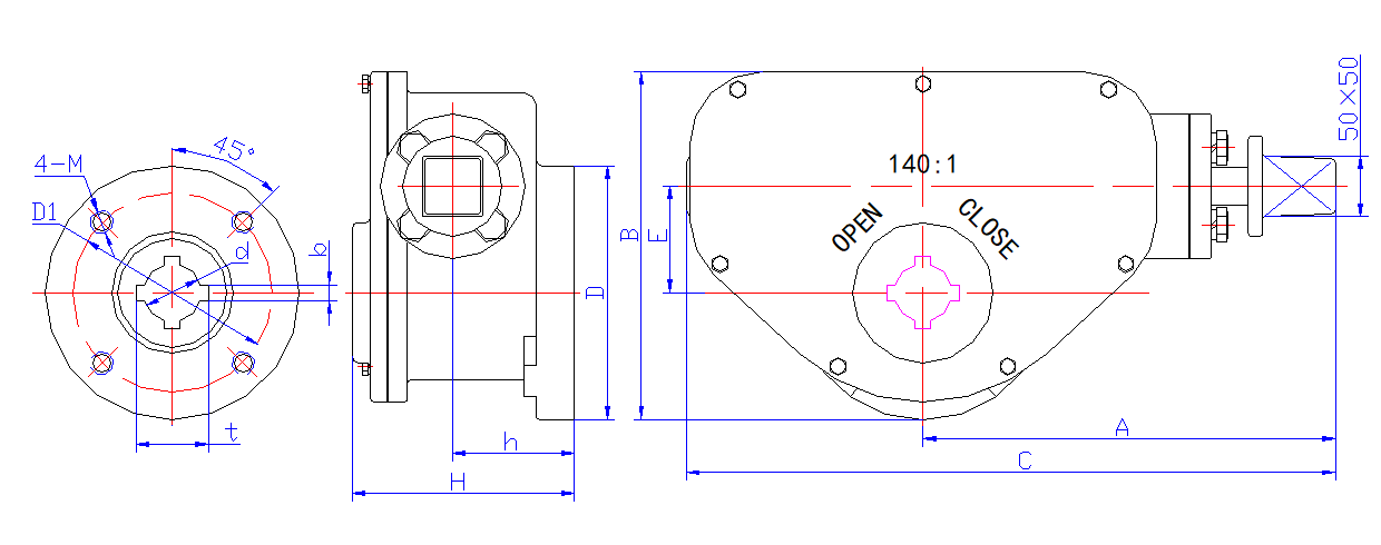
            本产品采用丝杠螺母和拨叉传动方式,结构合理、输出扭矩大,具有可靠的自锁性。适用于90°回转的蝶阀、球阀、旋塞阀等阀门的控制。This product adopts a screw nut and shifting fork transmission method, with a reasonable structure, high output torque, and reliable self-locking. It is applicable to the control of butterfly valve, ball valve, cock valve and other valves with 90 ° rotation.

| 型号Model | 输出扭矩Torque Nm | 速比Ratio | 输入扭矩Input Nm | 最大轴孔Hole max | 连接法兰Flange min/max | 
| MS60 | 600 | 60:1 | 60 | 35 | F07、F10、F12 | 
| MS80 | 1500 | 80:1 | 120 | 40 | F10、F12 | 
| MS140 | 3600 | 140:1 | 160 | 60 | F14、F16 | 
| MS200 | 6800 | 200:1 | 180 | 80 | F16、F25 | 
| 型号Model | d | b | t | D1 | 4-M | A | B | C | D | E | H | h | 
| MS60 | 35 | 8 | 42.4 | 125 | 4-M12 | 216 | 168 | 318 | 153 | 37.5 | 109.5 | 60 | 
| MS80 | 35 | 8 | 42.4 | 125 | 4-M12 | 241 | 186 | 362 | 153 | 51 | 128.5 | 71.5 | 
| MS140 | 47.7 | 12.7 | 58.9 | 165 | 4-M20 | 341 | 288 | 536 | 210 | 88 | 184 | 100.5 | 
| MS200 | 57.2 | 12.7 | 68.8 | 165 | 4-M20 | 383 | 391 | 624 | 300 | 125 | 188 | 101 | 
0
 
            本产品采用丝杠螺母和拨叉传动方式,结构合理、输出扭矩大,具有可靠的自锁性。适用于90°回转的蝶阀、球阀、旋塞阀等阀门的控制。This product adopts a screw nut and shifting fork transmission method, with a reasonable structure, high output torque, and reliable self-locking. It is applicable to the control of butterfly valve, ball valve, cock valve and other valves with 90 ° rotation.

| 型号Model | 输出扭矩Torque Nm | 速比Ratio | 输入扭矩Input Nm | 最大轴孔Hole max | 连接法兰Flange min/max | 
| MS60 | 600 | 60:1 | 60 | 35 | F07、F10、F12 | 
| MS80 | 1500 | 80:1 | 120 | 40 | F10、F12 | 
| MS140 | 3600 | 140:1 | 160 | 60 | F14、F16 | 
| MS200 | 6800 | 200:1 | 180 | 80 | F16、F25 | 
| 型号Model | d | b | t | D1 | 4-M | A | B | C | D | E | H | h | 
| MS60 | 35 | 8 | 42.4 | 125 | 4-M12 | 216 | 168 | 318 | 153 | 37.5 | 109.5 | 60 | 
| MS80 | 35 | 8 | 42.4 | 125 | 4-M12 | 241 | 186 | 362 | 153 | 51 | 128.5 | 71.5 | 
| MS140 | 47.7 | 12.7 | 58.9 | 165 | 4-M20 | 341 | 288 | 536 | 210 | 88 | 184 | 100.5 | 
| MS200 | 57.2 | 12.7 | 68.8 | 165 | 4-M20 | 383 | 391 | 624 | 300 | 125 | 188 | 101 | 
0
本产品采用丝杠螺母和拨叉传动方式,结构合理、输出扭矩大,具有可靠的自锁性。适用于90°回转的蝶阀、球阀、旋塞阀等阀门的控制。This product adopts a screw nut and shifting fork transmission method, with a reasonable structure, high output torque, and reliable self-locking. It is applicable to the control of butterfly valve, ball valve, cock valve and other valves with 90 ° rotation.

| 型号Model | 输出扭矩Torque Nm | 速比Ratio | 输入扭矩Input Nm | 最大轴孔Hole max | 连接法兰Flange min/max | 
| MS60 | 600 | 60:1 | 60 | 35 | F07、F10、F12 | 
| MS80 | 1500 | 80:1 | 120 | 40 | F10、F12 | 
| MS140 | 3600 | 140:1 | 160 | 60 | F14、F16 | 
| MS200 | 6800 | 200:1 | 180 | 80 | F16、F25 | 
| 型号Model | d | b | t | D1 | 4-M | A | B | C | D | E | H | h | 
| MS60 | 35 | 8 | 42.4 | 125 | 4-M12 | 216 | 168 | 318 | 153 | 37.5 | 109.5 | 60 | 
| MS80 | 35 | 8 | 42.4 | 125 | 4-M12 | 241 | 186 | 362 | 153 | 51 | 128.5 | 71.5 | 
| MS140 | 47.7 | 12.7 | 58.9 | 165 | 4-M20 | 341 | 288 | 536 | 210 | 88 | 184 | 100.5 | 
| MS200 | 57.2 | 12.7 | 68.8 | 165 | 4-M20 | 383 | 391 | 624 | 300 | 125 | 188 | 101 | 
0
PRODUCT CENTER
